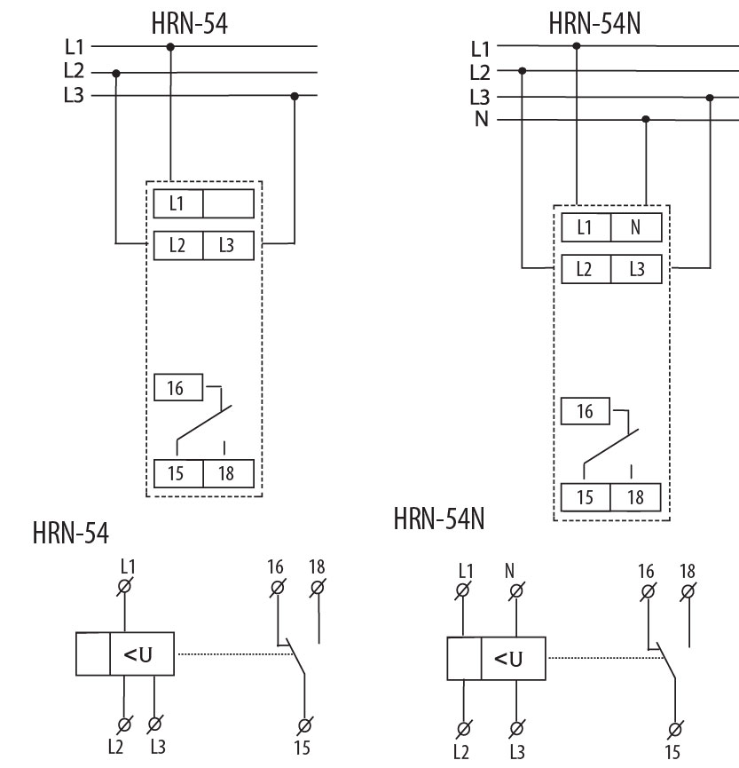
Control relay HRN-54N 002471412

Specifications

ETI Code:
002471412
Description:
HRN-54N
Class name:
Control relay
Number of CO contacts:
1
AC rated control supply voltage Uc (V) :
230/400
Maximum load capacity at AC1 (VA):
2500
Function:
Monitoring and Control relays
Supply voltage (V):
400
Type of control:
Umax and Umin, sequence phase, phase failure
Number of contacts:
1
Voltage type:
AC
Rated current (A):
8

Documents

Product

Customs tariff
85364900  
logis_net_width
18  mm
logis_net_height
91  mm
logis_net_depth
64  mm

Basic packaging

Basic packaging quantity
1  
EAN code for a basic packaging
3838895423935  
Basic packaging weight
0.074  kg

Transport packaging

Transport packaging quantity
10  
EAN code for a transport packaging
3838895423942  
Transport packaging weight
0.74  kg
Pallet quantity
4600  
Classification
EC001441
Class name
Phase monitoring relay
Type of electric connection
Clip connection
Rated control supply voltage AC 50 Hz
230…400V
Phase sequence monitoring
Yes
Phase failure detection
Yes
Function under voltage detection
Yes
Function over voltage detection
Yes
Phase imbalance monitoring
Yes
Voltage measuring range
300…500V
Number of contacts as change-over contact
1
Width
18mm
Height
90mm
Depth
65mm
ETIM Classification – Version 7.0

Images & Diagrams

Software & drivers

Software is provided as is without any guarantees or warranty. The author is under no obligation to provide support, service, corrections, or upgrades to the free software programs or drivers.

Accessories 9

>
>
0
Your basket is empty.